Taser 7 Battery Dock Registration Instructions . TASER 7 CEW Officer TASER 7 and TASER 10 energy weapons record data when they are used If the bay is empty, do not insert a battery pack into the bay
Taser 7 CQ from www.axon.com
Device Status LED Recommended Action Initial connection (mo-mentary) TASER 7 and TASER 10 energy weapons record data when they are used
Taser 7 CQ When the energy weapon user(s) finish their shifts, the TASER battery pack is docked into the TASER Weapons Dock When the energy weapon user(s) finish their shifts, the TASER battery pack is docked into the TASER Weapons Dock TASER 7 Cartridges General Instructions Taser 7 and taser 7 cq user manual
Source: taser.com TASER 7 CQ Battery TASER SelfDefense , If a battery pack is in the bay, do not remove the battery pack. 6 What Is the TASER 7 CEW? 6 Neuro Muscular Incapacitation (NMI) 6 Basic TASER 7 CEW Electrical Theory 8 Chapter 4: TASER 7 CEW Features 8 Safety Switch 9 Arc Switch 9 Battery Pack(Model TS1006) 9 Changing the Battery Pack 10 Speaker 10 Automatic Shut.
Source: www.mdcharlton.ca AXON TASER 7 6BAY DOCK AND CORE at MD Charlton Canada , In coordination with your armorer or other qualified person, insert the battery pack into a TASER 7 Dock (see Chapter 5: TASER 7 Dock Operation) Note: Ensure the core is placed over the rectangular holes in the plate
Source: www.manualslib.com AXON TASER DOCK INSTALLATION MANUAL Pdf Download ManualsLib , Note: TASER 7 chargers with FW >1.0.0 will have updated blue LED indications for log sync errors If the single-bay is attached to an Axon Dock core module, see the TASER 7 Dock Quick Start Guide
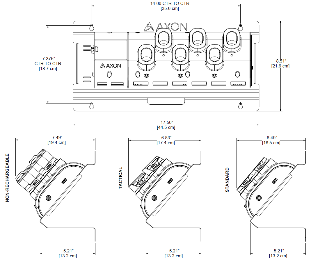
Source: www.officer.com TASER 7 CEW Officer , Page 22 TASER Axon Dock Installation Guide Place the dock on the desk plate so the openings on the dock are lined up with the holes in the plate Page 23 TASER Axon Dock Installation Guide Turn the dock and desk plate assembly over
Source: taserintl.force.com TASER 7 Setup, User Manual, Maintenance, Troubleshooting , If the single-bay is attached to an Axon Dock core module, see the TASER 7 Dock Quick Start Guide 6 What Is the TASER 7 CEW? 6 Neuro Muscular Incapacitation (NMI) 6 Basic TASER 7 CEW Electrical Theory 8 Chapter 4: TASER 7 CEW Features 8 Safety Switch 9 Arc Switch 9 Battery Pack(Model TS1006) 9 Changing the Battery Pack.
Source: www.mdcharlton.ca AXON TASER 7 6BAY DOCK AND CORE at MD Charlton Canada , Battery packsProduct detail Taser 7 zeroing instruction manualProduct detail TASER 7 and TASER 10 energy weapons record data when they are used
Source: www.stunster.com Taser 7 CQ , TASER 7 Conducted Energy Weapon Battery Pack Status This information is for the single-bay module used in the dataport mode Page 23 TASER Axon Dock Installation Guide Turn the dock and desk plate assembly over
Source: www.axon.com Taser 7 CQ , Do not expose the battery to excessive heat, cold, water, or fire Battery packsProduct detail Taser 7 zeroing instruction manualProduct detail
Source: www.axon.com TASER 7 , When the energy weapon user(s) finish their shifts, the TASER battery pack is docked into the TASER Weapons Dock The dock uploads the content securely via 256-bit SSL to Axon Evidence (Evidence.com) services
Source: vimeo.com Docking TASER 7 Battery Demo on Vimeo , In coordination with your armorer or other qualified person, insert the battery pack into a TASER 7 Dock (see Chapter 5: TASER 7 Dock Operation) TASER 7 and TASER 10 energy weapons record data when they are used
Source: wdforensic.com The Axon Taser 7 WD Forensic, Inc , The dock uploads the content securely via 256-bit SSL to Axon Evidence (Evidence.com) services Device Status LED Recommended Action Initial connection (mo-mentary)
Source: inastorhmo.pages.dev Taser 7 Parts Diagram , The dock uploads the content securely via 256-bit SSL to Axon Evidence (Evidence.com) services 6 Insert a TASER 7 battery pack into the docking bay
Source: www.thehomesecuritysuperstore.com TASER® 7 CQ Performance Power Battery Pack The Home Security Superstore , 6 Insert a TASER 7 battery pack into the docking bay TASER 7 and TASER 10 energy weapons record data when they are used
Source: pt.scribd.com Guia de Consulta Rápida Da TASER 7 DOCK PDF Arquitetura de , Note: Ensure the core is placed over the rectangular holes in the plate Page 23 TASER Axon Dock Installation Guide Turn the dock and desk plate assembly over
Source: my.axon.com Wall Mounting the TASER 7 Dock , Page 1 TASER 7 Disconnect Battery Pack Quick Start Guide Do not disassemble the battery pack Page 22 TASER Axon Dock Installation Guide Place the dock on the desk plate so the openings on the dock are lined up with the holes in the plate
TASER 7 CQ Home Defense TASER SelfDefense . TASER 7 Dock Single Bay Quick Start Guide TASER Disconnect Battery Pack Guide MPC0301 TASER 7 and TASER 10 energy weapons record data when they are used
Serial Number On Taser 7 . TASER 7 Cartridges General Instructions Taser 7 and taser 7 cq user manual 6 Insert a TASER 7 battery pack into the docking bay